美彩国际

首页 > 资讯中心 > 企业新闻 >

资讯中心
服务热线

服务热线:027-87876585
027-87876385
移动电话:13317108516
13871149152
传  真:027-87596225
售后服务:13628671834
E-mail:hb1000kv@163.com
美彩国际 联系地址:武汉市东湖高新技术开发区关南园四路2号

及时联系我们为您解答产品相关疑问欢迎拨打全国统一服务热线

4000-777-650欢迎来电咨询

联系我们留言
提供更多资料全方位的服务方案

油浸式试验变压器为和干式试验变压器的区别与联系

返回 打印
来源:仪天成电力  时间:2017/12/06  阅读:
        目前市面上主流的试验变压器分为油浸式试验变压器和干式试验变压器,而二者主要是根据按照绝缘和冷却条件来区分的。二者即有相同点也有不同点,本文就此进行简单的阐述。
        无论是油浸式试验变压器还是干式试验变压器,其主要的功能都是对电气设备进行绝缘强度耐压试验,得出电气设备的绝缘性能,以及发行电气设备受过电压的能力,但是其主要的不同点在于其构造以及工作原理的大不相同。
        油浸式试验变压器采用优质冷轧硅钢片叠制而成。线圈为同心宝塔形多层圆筒式,低压线圈在内,高压线圈在外。
其工作的原理为用工频220V(10kVA以上用380V)电源接入控制箱(台)(为试验变压器配套设备,详细资料请见控制箱(台)使用说明书),经自耦调压器调节0-220V/380V电压输入到YDJ试验变压器初级绕组。根据电磁感应原理,在次级(高压)绕组按其与初级绕组匝数之比获得同等倍数的电压幅值――工频高压。此工频高压经高压硅堆整流及电容器滤波可获得直流高压,其中幅值是工频高压有效值的倍。
        油浸式试验变压器交流(工频)耐压试验接线示意图

        说明:做交流耐压试验时,既可使用YDJ(G)交流试变,也可使用YTJZ(G)试变。不过在使用YTJZ(G)做交流耐压试验时,不必将高压柱上的短路杆拉出来。
        直流泄漏与直流耐压试验接线示意图

    说明:直流泄漏完成后,可不拆线直接进行直流耐压试验。
    而干式试验变压器则是采用了线圈环氧真空浇注成型,及CD型铁芯的新工艺。其工作原理为当输入电压为200V,利用电磁感应原理根据需要改变输入电压,即可获得输出高压从零伏连续可调到额定的高值。在作直流耐压及泄露电流测试时,只要把高压硅堆旋装在高压输出端,即可改变输入电压,从而获得不同值的直流高压输出。
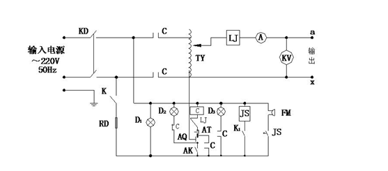
具体工作原理示意图

        其中JS:时间继电器   TY:自藕调压器     FM:报警器  LJ:过流继电器    D1、D2、D3:指示灯  C:交流接触器   RD:熔断器   K:总电源开关   K1:时间继电器电源开关 AK:调压器回零限位开关  AQ:起动按钮   CL:高压硅堆   AT:停止按钮  A:输出电流表    KV:输出电压表
        作为目前主流的两款试验变压器,油浸式试验变压器和干式试验变压器都具有体积小、重量轻、性能稳定等特点,在选择的时候,需要根据具体的情况来选择用哪种试验变压器来进行试验。
 
湖北仪天成电力设备有限公司技术部
                                    2017年9月14日


【 湖北仪天成电力设备有限公司】主要经营:无线通话系统,承试设备,串联谐振等检测设备。
咨询热线:4000-777-650
官方网址:milice.org
我们期待您的来电!
 
 
 




更多技术问题请致电仪天成电力客户服务:027-87876585,技术部专线:027-87876585,在线客服:
美彩国际:http://milice.org/product/
售后、保修、维修服务中心:http://milice.org
    推荐阅读
    推荐产品
信息反馈     如果您有更多的问题咨询,请留言给我们。立即留言,仪天成电力致立研发制造标准、稳定、安全的电力试验设备。
 天游8线路检测中心|欢迎您 祥顺彩票|主页 澳门灵蛇网4949-香港灵蛇网论坛资料大全最新-灵蛇网4846cc最新版本更新内容-灵蛇网4668cc-灵蛇澳门2025年今晚看 灵蛇澳门2025年今晚看-灵蛇网4846cc-灵蛇网免费资料大全--灵蛇网4846cc最新版本更新内容-澳门灵蛇网4949 welcome如意彩|首页 辉耀彩 - 首页